Самый простой вариант – ручная бетономешалка из бочки
Для изготовления понадобятся
Стальная бочка объемом 100 или 200 литров, которую можно недорого купить или выменять на некоторое количество горячительных напитков на каком-нибудь складе или предприятии;
Уголок или профиль для станины
Опять же, если этого добра нет в вашем сарае – купите его на пункте сбора металлолома;Важно! Речь идет о минимизации затрат. Поэтому покупка нового материала не рассматривается.
Пара б/у подшипников
Где их найти – даже смешно рассказывать. Отличное решение – изношенные ступицы от классики ВАЗ;
Стальная труба для оси и рукоятки;
Болгарка, сварочный аппарат – это само собой разумеется.
В результате у вас должен получиться вот такой агрегат как на фото.

Технология изготовления
- В бочке вырезается прямоугольное отверстие. По стыку образуется щель. Следует изнутри отверстия наварить из уголка порог, который можно проложить резиной, для большей герметичности. Иначе вода просто будет вытекать наружу, нарушая пропорции смешивания;
- Крышка открывается наружу, надо позаботиться о мощных петлях и прочном запорном устройстве. Штатное заливное отверстие можно заварить, или оставить с крышкой. Она достаточно прочная;
- Изнутри желательно приварить пару-тройку лопастей для перемешивания. Подойдет любой листовой материал (сталь толщиной 2-3 мм);
- По центру боковин привариваются подшипники, прикручиваются ступицы или продевается (с обвариванием отверстий для герметичности) ось из стальной трубы;
- Конструкция крепится на станине, с одной стороны приваривается «Г» — образная рукоять, как на барабане колодца. Если сделать две рукояти, тогда крутить можно вдвоем.
Самый простой пример изготовления ручной бетономешалки для тех кто не нашел подходящего электродвигателя, а строить нужно. Смотрите видео и делайте такую же.
На этом постройка считается завершенной. Можно покрасить аппарат снаружи. Внутренние стенки красить бессмысленно, бетон обдерет любое покрытие при первом замесе. Технология настолько проста – что изготовить подобный агрегат можно за пару выходных.
Важно! Емкость агрегата с ручным приводом не должна превышать 100 л. Иначе усилий одного-двух человек может не хватить для качественного смешивания раствора.

Хорошей заготовкой для такой конструкции может послужить газовый баллон 80-90 литров.
Бетономешалка с двигателем
Удобнее всего ее сконструировать по тому же принципу, а затем вместо ручки с одной из сторон приварить шкив с ремнем, на который и будет передаваться от двигателя крутящий момент. В том случае, если сварочных принадлежностей в наличии нет или нет никаких навыков сварки, можно попробовать изготовить конструкцию на болтах. Рама в этом случае изготавливается из металлического уголка, а двигатель может быть взят из старой стиральной машины или же дрели. Можно взять и мотор, работающий на бензине.
Устройство бетономешалки с электрическим приводом.
Для качественного изготовления необходимо не менее 30-40 оборотов бочки в минуту. При сильном вращении раствор будет разбрызгиваться, значительно возрастет при этом нагрузка на все соединения. Но и меньшая скорость нежелательна, так как качество перемешивания тогда сравнится с ручными моделями и будет невысоким. Такие медленные двигатели непросто найти, поэтому чаще всего применяют стандартные, снабженные редукторами.
Редуктор изготавливается из ремней и шкивов, в изготовлении он не слишком сложен. Расчет этой ременной передачи производится из соотношения их скорости к диаметру. Чтобы уменьшить скорость вращения с 1000 до 40 оборотов в минуту, необходимо, чтобы один шкив превосходил другой в диаметре в 25 раз. Хотя сооружение подобной ременной передачи не слишком сложно, мастера рекомендуют сконструировать передачу двухзвенного типа, произведя двойной расчет.
Еще один неплохой вариант – применить передачу цепного типа, при расчете взяв соотношение большой и малой шестерен. Для применения зубчатой передачи можно применить готовую коробку передач от старого автомобиля. Проще всего приварить необходимые детали к бочке, но если такой возможности нет, можно их привинтить.
Схема привода бетономешалки.
Очень хорошо для двигателя подходит стальной диск с зубцами по внешнему краю, который называют венцом. Найти такую деталь можно в двигателях старых автомобилей, он изготовлен из закаленного металла и хорошо справится с такими нагрузками. Закрепляется мотор обычно на днище. Для этого бочку переворачивают и прикладывают к днищу венец, найдя предварительно его середину. Расположение отмечают при помощи керна. Венец снимают и проделывают точно по отметкам отверстия дрелью. После этого венец прикручивается болтами.
Из стиральной машины

Следующее интересное решение – шнековая бетономешалка из двигателя стиральной машины активаторного типа. Помимо мотора, используется бак. Если корпус целый, двигатель и бак можно оставить внутри, но раствор придется выгребать из емкости мастерком. Чтобы устранить такую проблему, рекомендуется установить мотор и бак на сконструированный своими руками каркас.
Самым простым решением станет каркас вида «качели». Он выдерживает значительные нагрузки, легко передвигается, а емкость в такой конструкции удобно очищается от готового раствора.
Перед сборкой потребуется подготовить чертеж, старую стиральную машину, металлические уголки для каркаса, стальные полосы для лопастей, сварочный аппарат, дрель, отвертки, ножовку для работы с металлом.
Порядок сборки шнековой бетономешалки:
- Сварить из уголка 50х50 мм два треугольника. В основании используется отрезок длиной 0,6 метра. Боковые стороны – отрезки по 0,8 метра. Готовые фигуры располагают друг напротив друга и соединяют между собой в основании двумя уголками длиной 0,5 метра. Опора готова.
- В верхней части каждого треугольника привариваются две гайки или два куска труб, чтобы будущий вал диаметром 25 мм свободно проворачивался. После установки вала с внешней стороны можно наварить гайки, чтобы он не вылетел во время работы.
- Два уголка длиной 1,4 метра положить напротив друг друга. Между ними в виде лесенки разместить 3 уголка длиной 0,4 метра – один посредине, два сверху и снизу. Соединить сваркой. Средним уголком приварить к валу. Качели для бака готовы.
- Из бака стиральной машины вытащить активатор. Сделать две стальные полосы длиной 0,9 мм, шириной и толщиной 50х4 мм. Подготовить ось – установить с одной стороны крепление шкива, с другой стороны должна быть резьба, выступающая из дна на 5 см. Сделать в полосах посредине отверстия под размер резьбы оси, затем их слегка согнуть, чтобы они приобрели форму лопастей. Под углом 90° по отношению друг к другу установить лопасти на ось, закрепить гайкой, затем сваркой.
- Бак с миксером приварить на одну из сторон качели так, чтобы дно было направлено в сторону вершин треугольников. Сливное отверстие наглухо закрыть.
- Проверить лопасти, убедиться, что они свободно ходят и не касаются бака. Установить двигатель на качели напротив емкости, в уголках лесенки проделать отверстия и зафиксировать мотор шпильками. Чтобы избежать попадания воды, сделать для мотора резиновый кожух.
- Подключить двигатель к электросети, запустить проверку бетономешалки. Чтобы освободить емкость от раствора, качели поднимают вверх, придерживая за сторону с двигателем.
Если необходимо, чтобы бак размещался под определенным углом, снизу устанавливают костыль в виде буквы Т нужной высоты.
Инструкция: самодельная бетономешалка с двигателем от стиральной машины
Есть два вида бетоносмесителей:
- Механический. Емкость приводится в движение силовым воздействием. Это практически то же, что мешать бетон в обычной емкости. Сколько сил и времени у вас уйдет на работу с ручным приводом? Поэтому лучше остановиться на следующем варианте.
- Электрический. Бак приводится в движение электрическим двигателем.
Технология изготовления бетономешалки довольно простая. Но прежде чем приступить к работе, задумайтесь, сможете ли вы самостоятельно подключить двигатель? Если ответ положительный, тогда подготовьте все необходимое.
Комплектующие
- Бочка от старой стиральной машины объемом 200 литров (желательно с вертикальной загрузкой). Именно такого объема достаточно для замеса оптимального количества бетона для работы.
- Электродвигатель (мощность 200 Вт).
- Шкив, приводной ремень, выключатель от стиралки.
- Для изготовления основания нужен металлический уголок размером 50х50.
- Колеса. Два колеса можно взять от старой коляски, тачки, телеги.
- В качестве оси понадобится прочный стержень из металла на 4,5 см.
- Редуктор.
- Арматура.
- Полоса из металла.
- Шариковые подшипники.
- Провод.
- Шайбы и болты.
Инструменты
- Болгарка.
- Ножовка по металлу.
- Дрель.
- Паяльник.
- Сварка с электродами.
Почему выгодно делать бетономешалку из старой стиральной машины? Потому что бак машины вполне подходит для замеса раствора, его сливное отверстие можно закрыть. Моторы старых стиралок достаточно прочные и надежные.
Комплексное использование всех элементов защищает двигатель от попадания посторонних предметов при работе. Это избавит вас от необходимости делать защиту.
Пошаговое выполнение работ
Перед тем как приступить к работе, вы можете подготовить чертежи, чтобы облегчить сборку конструкции. Один из чертежей представлен ниже:
Изготовьте каркас (основание)
Это важный момент, поскольку вся конструкция будет опираться на каркас. Основание должно быть прочным и устойчивым.
- От приготовленных уголков 50х50 отрежьте две части по 60 см и четыре по 80 см. Отрезок 60 см служит основанием для опорного треугольника, отрезки 80 см – его ребра. Сложите и сварите треугольники. Поставьте их напротив друг друга.
- Теперь приварите к ребрам треугольников два уголка по 50 см. Получается устойчивая конструкция.
- К вершинам треугольников нужно приварить две гайки. Диаметр их отверстия должен быть больше, чем труба диаметром 30 мм. Затем эту трубу нужно потянуть через отверстия гаек и запрессовать концы. Труба должна свободно вращаться, но не соскакивать с места.
- Изготовьте верхнюю часть. Возьмите два уголка длиной 1,4 м и три по 40 см. Те, что по 1,4 метра, положите друг против друга. Остальные расположите поперек на равном расстоянии, по типу лесенки. Приварите части друг к другу.
- Основания готовой конструкции приварите к подвижной трубе. Располагать ее нужно поперек трубы по центру.
Корпус
К основанию каркаса арматурой прикрепите колеса.
Теперь на очереди бак. Удалите из бака активатор и закройте сливное отверстие. Установите вал или ось подходящего размера на место активатора. Из полосы металла изготовьте самодельные лопасти, которые будут перемешивать бетон. Их можно дополнительно закрутить с помощью плоскогубцев. Приварите лопасти на металлическую полосу и прикрепите к валу.
Чтобы своими руками установить большую бочку, положите ее на лесенку каркаса. Следите, чтобы большая ее часть контактировала с уголком. Приварите бочку к основанию для надежной установки. При этом дно бака должно обращаться к верхушкам треугольников.
Подключение двигателя
Подключается мотор к задней части бака. Для этого на уголках просверлите два отверстия. На корпусе мотора вы также заметите отверстия, приложите их к уголкам и закрепите болтами с гайками.
Чтобы двигатель не сломался из-за непогоды, изготовьте кожух из автомобильной камеры. Предусмотрите отверстия по бокам, чтобы не было перегрева.
Осталось подключить мотор к сети напряжения и проверить работу самодельной бетономешалки. Удобство такой конструкции в том, что лесенка наклоняется по типу качели. Поэтому готовый раствор можно с легкость вылить, наклонив бак.
Зная, как сделать бетономешалку из подручных средств, можно хорошо сэкономить и обзавестись собственной техникой. Действуйте последовательно, и все получится.
Особенности бетоносмесителей – конструкция и принцип работы
Бетономешалка поможет вам своими руками приготовить раствор или бетон для строительных работ на участке. Ее устройство несложное, большинство узлов можно собрать самостоятельно или использовать от старых машинных механизмов. Основными частями являются:
- металлический резервуар;
- подшипники на валу;
- каркас;
- электродвигатель с редуктором (только для устройств с электрическим приводом).
Чтобы выбрать подходящий вариант самодельной конструкции, нелишне ознакомиться, какие бывают бетономешалки, и как они работают. Используется несколько способов замешивания. Самый простой – гравитационный, когда резервуар со смесью переворачивается вокруг оси, раствор падает из одной части емкости в другую, одновременно перемешиваясь. Способ не самый хороший: качество среднее, приготовить большие объемы затруднительно. Для собственных нужд можно смонтировать очень быстро.
К выбору типа конструкции бетоносмесителя следует отнестись со всей важностью
Самый качественный бетон можно приготовить в устройстве, использующем вибрационное замешивание. Бадья в нем неподвижная, вращается только миксер, который качественно перемешивает и уплотняет раствор. Единственным недостатком является необходимость в электродвигателе достаточно большой мощности: для 20-литровой емкости понадобится привод на 1,3 кВт. Но небольшой вибромиксер для себя можно собрать в домашних условиях.
Наиболее распространенная конструкция бетономешалок в быту – совмещающая механическое и гравитационное замешивание. Вращающиеся части подобных устройств: миксер, перемешивающий раствор в неподвижной бадье, расположенной горизонтально или вертикально. Во втором варианте вращается сам резервуар, который имеет внутри выступы. Изготовить подобные устройства не так сложно и долго, как может показаться на первый взгляд.
Четыре принципа смешивания бетона
Самодельная бетономешалка
По факты, приготовить свой раствор можно и без специальных приспособлений. Работать «по старой методике» многим даже нравится. Но много ли успеваешь сделать таким способом? Создать сухую смесь для строительства, используя обычную дрель либо миксер, еще можно. Но когда дело доходит до песка с цементом, они оказываются бессильны.
Самый простой и распространенный принцип смешивания называется принудительным. Все компоненты замешиваются в емкости, которая является неподвижной. Для этого обычно используется механический привод. Рабочий барабан при этом может располагаться вертикально или горизонтально.
Чертеж бетономешалки горизонтальной
Несмотря на то, что даже малый бетоносмеситель принудительного действия может оказаться весьма эффективным, свои недостатки у него тоже имеются:
- Появляются «мертвые зоны» в емкости. Это особенно касается пространства возле стен.
- Сложность конструкции. Узлы вращения должны быть герметично защищены от воздействия раствора, которое может оказаться агрессивным.
- Практически невозможно приготовить в таком агрегате раствор, в состав которого входят средний и крупный наполнитель.
Большинство современных бетономешалок используют комбинированный принцип, сочетающий в себе первые два способа. Они обладают следующими преимуществами:
- Строгая герметизация не нужна. Барабан сверху открыт, необходимости в узлах вращения нет, поскольку любой контакт с раствором исключается.
- Детали изнашиваются гораздо реже.
- Простота и надежность эксплуатации.
- Ограничений на состав раствора тоже нет – это может быть щебенка, керамзит, гравий и так далее.
Четвертый принцип смешивания называется вибрационным. В последнее время некоторые умельцы занимаются перемешиванием раствора при помощи вибрации. Если говорить о масштабных объемах, результаты могут быть самыми ошеломительными. Обычно вибрационный принцип перемешивания используется, когда нужно изготовить точную железобетонную конструкцию с хорошими эксплуатационными характеристиками.
В обычных условиях редуктор и привод заменяет мощнейший перфоратор (допустимый минимум 1,3 кВт). Его вибрационное действие должно быть независимым. Прижимать патрон не нужно.
Редуктор бетономешалки фото
В целом, вибрационное замешивание позволяет создать практически идеальную бетонную смесь. Однако для приготовления «тяжелого» раствора он тоже не оптимален.
Вертикальный вариант бетономешалки
Для этого на основание устанавливают поворотную раму с мотором. При этом бочка будет производить вращение на валу, опираясь на дополнительные, обеспечивающие ей вращение ролики. Ось рамы также можно вывести наружу и дополнительно прикрепить к ней штурвал или ручку, чтобы устройство переворачивалось с большей легкостью. Для этого варианта бетономешалки нужно выделить место, такое, как сарай или гараж, чтобы подвести туда всю проводку без опасения за нее в случае дождя.
Эта конструкция должна выдерживать вес бочки, наполненной бетоном, и возрастающую нагрузку при ее вращении. Применять для изготовления можно стальной уголок от 100 до 130 мм. Раму сваривать необходимо при помощи сварочного аппарата, но при его отсутствии можно применять болты не менее 27 мм, так как меньший диаметр не справится с нагрузками.
Для разгрузки бетономешалки вертикального типа необходимо установить на ней специальный штурвал. Можно в качестве основы для его изготовления применить колесо или старый шкив, а также использовать отрезок толстостенной трубы. По окружности колеса при этом просверливается 6-8 отверстий, диаметр которых должен быть не меньше 6 мм. В них нарезают резьбу и вкручивают ручки. Изготовить ручки можно из металла или взять вместо них болты либо стержни с резьбой.
С отрезком трубы поступают аналогичным способом. Если ее диаметр меньше, ручки или стержни изготавливаются со смещением. В случае если прикрепление штурвала по каким-то причинам невозможно, можно вынимать готовый раствор при помощи лопаты, когда бетономешалка останавливается полностью.
Самостоятельное изготовление
Заводская бетономешалка или сделанная своими руками состоит из трех основных компонентов: бадья, в которой перемешивается раствор, рама для крепления компонентов и привод – ручной или электрический (в некоторых случаях используются двигатели от мопеда или скутера).
На видео самодельная бадья для комбинированного смешивания раствора установлена на трактор Т-16:
Бадья для раствора
Во-первых, надо обдумать ее размер, учитывая что загружаться она будет на 30-40%. Больше нельзя, так как раствор будет выплескиваться и плохо перемешиваться.
Во-вторых, внимание надо обратить на форму – она должна быть грушевидной. Сверху, чтобы не выплескивалась вода и раствор, снизу – чтобы частицы бетона не забивались в углы между стенкой и дном
Почти готовая бадья это пластиковая бочка нужных размеров – кроме того, что она подходит по форме, дополнительным плюсом будет ее вес.
Как вариант, может быть сделана бетономешалка из стиральной машины – если на чердаке завалялась старая советская круглая «стиралка», то с нее снимается бак для белья, который специально создан, чтобы внутри него крутилась жидкость. Дно усиливается, верх сужается и бак готов.
Если ничего подходящего нет, то грушу для бетономешалки можно сделать из стального листа, сечением 2-3 мм. Для днища следует взять металл потолще – порядка 5 мм – на него будет идти основная нагрузка от привода.
При диаметре 500 мм и высоте 400 получается компактная бадья, в которой, тем не менее, можно за раз приготовить 30 литров раствора.
Подробнее про конструкцию расскажут следующие чертежи:
Качественно сделать грушу для бетоносмесителя можно и не используя лопасти. На показанной схеме вместо них внутрь емкости наварены рассекатели раствора из 16 мм арматурного прута, которые дополнительно укрепляют конструкцию. Такая конструкция это отличная мешалка для арболита.
Крепление к валу происходит через ступицу от автомобильного колеса, которая приваривается или прикручивается ко дну. Если автомобильных запчастей в гараже не завалялось, то крепеж придется изготавливать вручную по чертежу.
Несущая рама
В ее конструкции могут быть самые различные вариации – здесь полная свобода действий, главное правило ее изготовления, чтобы она надежно удерживала все комплектующие и давала свободный доступ для загрузки-выгрузки бетона.
Основные различия инженерной мысли заключаются в способе выливания готового раствора, для чего делают подвижной саму бадью, либо конструируют определенным образом всю раму.
Для бадьи, изготовленной из стального листа, оптимальной будет рама, обеспечивающая ее наклон. Сама емкость присоединяется к приводу редуктора (15), на который усилие через муфту (16) приходит от двигателя (17).
Все это крепится на подрамнике (18) и поворачивается на шарнире (14). Для разных видов растворов рабочий наклон бадьи можно регулировать, для чего к подрамнику приваривается ушко (22) через которое проходит сектор (10), удерживаемый в нужном положении штырем (23).
Основных положений сектора нужно как минимум три:
Наклон 50% – для тяжелых растворов.
Наклон 30% – для легких смесей (например, штукатурных).
Горизонтальное положение чтобы промывать емкость.

Электродвигатель и редуктор
Редко эти детали покупаются отдельно – проще всего воспользоваться тем, что есть под рукой. Электродвигатель подойдет от стиральной машины, электрическая схема оттуда же, а редукторы собирают из велосипедных колес, ременных или цепных передач. Ближе всего к заводской конструкции это приваренный к днищу маховик, который крутится от «родного» бенедикса автомобильного стартера, насаженного на вал.
Все расчеты делаются отталкиваясь от следующих соображений:
- Мощность двигателя подбирается по соотношению 20 Ватт на литр раствора.
- Количество оборотов, что выдает редуктор для бадьи, должно находиться в пределах 30-50 за минуту. Меньшее количество увеличит время перемешивания, а большее будет разбрызгивать раствор или вообще вызовет центробежные силы, из-за которых перемешивание не будет происходить.
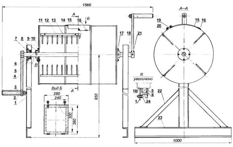
Ручная бетономешалка
На стройке не всегда есть электричество, да и большие объемы раствора и бетона тоже требуются не всегда. Выход — сделать бетономешалку небольшого объема, которая будет вращаться вручную (с ручным приводом). Конструкции этих моделей просты и незамысловаты.
Из молочной фляги
Простейшую ручную бетономешалку можно сделать имея обычную металлическую флягу (раньше в таких молоко продавали). Еще нужны будут обрезки труб или другой какой металлолом. Конструкция проста, такая бетономешалка своими руками реализуется за пару часов. Основное — сварить раму. Сборка самой бетономешалки займет от силы пару десятков минут.

Конструкция ручной бетономешалки из молочной фляги
Изготавливаете станину, из круглой трубы выгибаете ручку. В верхней части станины привариваете две водопроводные муфты (например). Их внутренний диаметр чуть больше диаметра трубы, используемой для ручки. Трубу пропускают через флягу, приваривают к корпусу.

Как найти центр тяжести
Чтобы бочка крутилась легко, надо найти центр тяжести. Для этого ее можно положить на какой-нибудь тонкий предмет, и перемещая вперед/назад, найти этот самый центр. Вот через него и надо будет пропустить ручку. Пропустив ручку, ее крепят к стенкам корпуса. Вот тут могут возникнуть сложности: фляги обычно делают из алюминиевого сплава, а ручка может быть из стали. Соединить из при помощи сварки не удастся. Единственный доступный выход — холодная сварка. Он вполне себе реален. Остальные режимы — с биметаллическими прокладками или аргонно-дугоавя сварка в домашних условиях не реализуются. Еще один выход — на ручку приварить пластины, которые приклепать к бокам фляги.
Чтобы ручка не сильно люфтила и не вывалилась при работе, к ней с обоих сторон от муфты приваривают гайки.
В общем, это все изготовление ручной бетономешалки своими руками. За один замес в 40 литровом бидоне можно получить 2,5-3 ведра раствора. Для использования на даче или на участке возле дома (без стройки) более чем достаточно.
Если бидона нет, можно приспособить бочку (толстостенную). Тогда пропадает проблема со сваркой ручки, но придется придумать систему фиксации крышки. Можно сделать нечто похожее на ту, которая имеется у бидона.
В видео — пример ручной самодельной бетономешалки из молочной фляги. Конструкция немного другая, но не слишком отличается. Есть интересная идея — внутри емкости к трубе приварены рассекатели, которые ускоряют перемешивание.
Из бочки (ручная и с электроприводом)
Эту конструкцию автор назвал «пьяная бочка» — из-за своеобразной траектории движения. Вся суть в том, что ось вращения идет через емкость наискосок. Из-за чего раствор переваливается от одной стенки к другой. Конструкция тоже проста и эффективна
Что важно — нет проблем со свариванием разнородных металлов. Чертеж ручной бетономешалки из бочки приведен ниже

Чертеж ручной самодельной бетономешалки из бочки
В верхней части рамы по центру установлены подшипники, в которые продета ручка. Благодаря им крутится 200 литровая бочка легко. Только выбирайте емкость с толстыми стенками — прослужит дольше. Внутри никаких дополнительных лопастей не приваривают: они только задерживают компоненты, мешая перемешиванию и усложняют выгрузку.
В оригинальной конструкции люк загрузки/выгрузки находится в днище. Это отрезанная часть (примерно 1/3), прикрепленная при помощи петель к дну, снабженная уплотнительной резиной по периметру и закрывающаяся на два замка. При загрузке бочку поворачивают так, чтобы люк оказался вверху. При выгрузке — поворачивают вниз. Раствор самотеком перемещается в подставленную емкость, а прилипший можно удалить постучав по корпусу молотком или кувалдой.

Усовершенствованная самодельная бетономешалка из бочки
Данная конструкция прослужила у автора 10 лет, хотя была сделана для разовой работы, но оказалась очень удачной: за 20-30 оборотов хорошо перемешивается 2,5 ведра раствора. За это время ее повторили и усовершенствовали соседи и знакомые. В основном переделки касались люка. Экспериментальным путем выявлена самая удачная его конструкция — похожая на ту, Которая используется в молочной фляге. Такую «горловину» приваривают к телу бочки с одной из сторон (смотрите на фото вверху). Также делают ручки с двух сторон — для возможности работы вдвоем.

Механизация в действии: ручная бетономешалка превращается в электрическую
Эта конструкция легко превращается в электрическую самодельную бетономешалку. Ставится не очень мощный двигатель — 1 кВт для бочки в 200 литров достаточно, к оси которого крепится небольшая звездочка, к оси-трубе приваривается звездочка большего размера (для уменьшения числа оборотов), соединяются они при помощи цепи (от мотороллера, например).
Надежный каркас – залог устойчивости аппарата
Для бетономешалки, которую планируется использовать регулярно, лучше изготовить надежную металлическую раму. Подойдет швеллер или уголок 45×45 мм и больше. Рама собирается на болтах, но лучше использовать сварку.
Рама бетономешалки. На рисунке цифрами обозначено: 1 – два передних подкоса; 2 – передний уголок; 3,4 – передний и задний подшипники; 5 – задняя опора; 6 – колесная ось; 7 – опора; 8 – ручка.
Каркас состоит из Т-образной основы, к ней привариваем вертикальные стойки. На второй стойке устанавливаем балку с осями для колес. Обе стойки скрепляем внизу и вверху. Устанавливаем наклонную стойку, где впоследствии закрепим кнопки управления. Двигатель с редуктором фиксируем на подрамнике, к которому также крепим ручку для наклона бадьи под различными углами. Размеры рамы могут несколько отличаться, они зависят, в основном, от размеров груши. На раме предусматривают место установки двигателя. Оборудуют ее также противовесом для предупреждения опрокидывания при выгрузке.
Виды бетономешалок
Предварительно изучив механизм работы бетономешалок и их характеристики, удастся подобрать конструкцию, подходящую под нужды конкретного строительства. Ведь зачем усложнять себе работу, если удастся обойтись простым механическим устройством?
С другой стороны, загружая бетономешалку под завязку, закончить заливку фундамента быстрее не удастся – это приведет к банальной перегрузке двигателя и его скорому выходу из строя.
Механические или электрические?
Выбирая конструкцию будущего «помощника», следует сразу же определиться со способом его работы:
- механические бетономешалки – работают от ручного привода, при замесе большого количества бетона крутить ворот нужно вдвоем;
- электрические бетономешалки – работают от сети, но присоединение мотора требует хороших знаний автомеханики.
Если на стройке задействованы несколько сильных и выносливых человек, можно обойтись ручной бетономешалкой. Ингредиенты смеси загружаются или одновременно, или поочередно. Единственное неудобство – конструкции с подвижной бочкой, а не внутренним валом, не позволяют добавлять воду в процессе перемешивания. Бочку нужно обязательно останавливать, открывать люк и заливать воду. Люк закрывается и смесь опять мешается.
Электрические бетономешалки позволяют замешивать большие объемы бетона за кратчайший срок, с работой же отлично справляется один человек. Следует учитывать, что моторы высокой мощности требуют трехфазной сети, поэтому при выборе объема бака следует заранее рассчитать и мощность мотора. Если ко двору подведена только линия 220 В, о тяжелых растворах придется забыть.
Принудительные, гравитационные или вибрационные?
От принципа работы бетономешалки будет зависеть и ее конструкция:
- бетономешалки принудительного действия отличаются неподвижной емкостью, в которой вращаются лопасти, закрепленные на валу;
- гравитационные бетономешалки перемешивают бетон за счет вращения собственно емкости, в которой лопасти находятся жестко закрепленными на стенках;
- вибрационные бетономешалки не могут похвастаться большой производительностью, зато обеспечивают высококачественную и однородную смесь без пузырьков.
При этом и гравитационные, и принудительного действия бетономешалки могут быть как механическими, так и электрическими. Вся разница в том, что механическая бетономешалка принудительного действия имеет горизонтальную ось, а электрическая может иметь и вертикальную.
Для их изготовления понадобится металлическая емкость. Самый элементарный вариант – металлическая бочка со стенками толщиной от 2,5 мм.
Вибрационные самодельные бетономешалки доступны каждому владельцу перфоратора. И хотя залить фундамент с их помощью не получится, сделать заливной пол в ванной или замешать раствор для плитки вполне реально. При этом конструкция проще некуда и не требует непосредственного участия человека. Так что с работой справится даже женщина.
Объем бетономешалки
Важным критерием выбора является вместимость будущей бетономешалки. Например, для работ по заливке фундамента потребуется емкость в 200 литров минимум. При этом стоит учитывать, что готовой смеси получится на 15-25% меньше – в зависимости от возможностей загрузки.
Вручную такой объем бетона можно замесить, хотя и достаточно тяжело – рука будет уставать.
Самодельное устройство имеет еще один существенный недостаток – сброс смеси зачастую производится в полном объеме. Поэтому лучше заранее озаботиться тачкой соответствующей вместительности. Если же есть возможность сделать механизм частичного сброса – лучше не пожалеть времени на его создание. Это существенно упростит эксплуатацию вместительных электрических бетономешалок и позволит работать вдвоем, нагружая по две тачки.
Советы по эксплуатации
Функционально «малые формы» бетономешалок ничем не отличаются от серьезных промышленных моделей. Но чтобы эксплуатация самодельных устройств была производительной и удобной, нужно соблюдать ряд правил
Кроме того, особое внимание стоит уделить выполнению требований техники безопасности
Правила работы на ручной бетономешалке:
Перед работой необходимо проверить изоляцию кабелей и контактов
Уделить внимание наличию заземления. Поскольку бетономешалка вибрирует, то перед эксплуатацией нужно подтянуть винтовые соединения
Если устройство передвижное, то необходимо поставить упоры под колеса. Работающий агрегат должен быть всегда в пределах видимости
Нельзя разрешать подходить к нему посторонним, особенно детям. Категорически запрещено проверять качество смеси при работающем двигателе. Палка или лопата, помещенная в это время в барабан, может сломаться и нанести серьезную травму работнику. Если бочка долго не используется, то её рекомендуется смазать старым раствором. Тогда она сохранится гораздо дольше.
Таким образом, можно изготовить несколько вариантов бетономешалок своими руками
Важно соблюдать необходимые правила техники безопасности, и тогда рабочий процесс принесет отличные результаты
https://youtube.com/watch?v=-LXMVuKFucs





































