Плюсы и минусы инсталляции для унитаза
Подвесные конструкции имеют свои достоинства и недостатки.

К преимуществам относятся такие факторы:
- Оптимальное использование полезной площади — подвесная сантехника занимает меньше места, нежели обычные унитазы.
- Визуальное расширение помещения. Небольшие габариты гигиенических приборов, как и отсутствие бачка, позволяют избежать нагромождения предметов.
- Эстетичность, благодаря тому, что все технические детали оказываются спрятанными в стену.
- Гигиеничность. У подвесного унитаза отсутствует ножка, где часто скапливаются бактерии. Кроме того, он оставляет пол целиком открытым, что облегчает уборку помещения.
- Экономичность. Многие модели имеют приспособления для половинного слива воды, что позволяет сократить ее расход.
- Низкий уровень шумов. Применение систем инсталляций позволяет снизить шумы, связанные с работой бачка, поскольку конструкция имеет дополнительный звукопоглощающий слой.
- Надежность. Подобные конструкции рассчитаны на длительное применение. Многие производители дают гарантию в 10 лет, в реальности модели могут служить и более долгое время.
Очевидно, что подобные сантехнические устройства обладают множеством достоинств.
К недостаткам подвесных моделей относят:
Монтаж конструкции требует внимательности и тщательности в работе
При установке важно учесть множество нюансов: высоту размещение каркаса, его положение в стене и другие характеристики.
Фальшстена преграждает свободный доступ к общим коммуникациям, который может потребоваться, например, в случае централизованной замены сантехоборудования в доме. При возникновении такой необходимости придется вскрывать перегородку, выполнять демонтаж облицовки или другой отделки, а затем вновь заделывать поврежденный участок.
Подвесные унитазы, предусматривающие систему инсталляции, стоят несколько дороже, нежели традиционные варианты гигиенических приборов.
При выборе сантехнических устройств необходимо расставить приоритеты, оценив, насколько для вас важны перечисленные выше особенности подвесной сантехники, а затем сделать осознанный выбор.
В выборе инсталляции, требующейся для подвесной сантехники, следует учесть ряд важных факторов и обстоятельств. Одной из самых важных характеристик является расчетный вес, который способна выдержать конструкцияПеред приобретением необходимо определиться с местом расположения приборов. Рамную конструкцию необязательно располагать возле несущей стеныБлочная конструкция для монтажа подвесного унитаза обязательно должна опираться на капитальную стенуПеред покупкой надо решить, будет ли устанавливаться один подвесной унитаз или монтироваться комплекс биде с унитазомВ выпускаемом для подвесной сантехники ассортименте есть модели, устанавливаемые у стен и даже возле окнаЕсли решено сэкономить пространство в санузле и расположить подвесной унитаз в углу санузла или отдельного туалета, потребуется угловая инсталляцияДля людей нестандартного роста отличным выбором станет инсталляция с регулируемыми опорными ножками, позволяющими изменять высоту установки сантехники. Обязательно нужно учесть габариты подбираемой инсталляции и соответствие ее реальным размерам отведенного для монтажа места.
Размеры систем инсталляции
Для правильного подбора инсталляционной системы нужно предварительно определить ее размеры. На рынке представлено большое количество разновидностей конструкции по размерам. Если вы не можете определиться с выбором, нужно проанализировать место расположения сантехники, а также посмотреть, какая площадь должна выделяться для нее.
Обратите внимание! Если унитаз будет установлен у центральной или боковой стены, где вблизи нет умывальника и больших шкафов для ванной, вы можете приобрести инсталляцию любого размера. В этом месте система смонтируется без особых проблем
Но при установке системы под оконной рамой придется сделать обратить внимание только на маленькие невысокие конструкции. Их длина не должна превышать 80 сантиметров.
В этом месте система смонтируется без особых проблем
Но при установке системы под оконной рамой придется сделать обратить внимание только на маленькие невысокие конструкции. Их длина не должна превышать 80 сантиметров.
Что собой представляет инсталляция для унитаза
Если владелец хочет установить популярные унитазы подвесного типа либо биде, потребуется также монтировать специальную конструкцию – инсталляцию. Она выполняет следующие функции:
- поддерживает вход канализации;
- поддерживает вход труб с водой;
- иногда – держит водный бачок.
Использование подвесных унитазов позволит освободить пространство, а также предотвратит появление сырости под сантехникой. Еще одним преимуществом является отсутствие необходимости в демонтаже изделия при желании сменить напольное плиточное покрытие.
При выборе места размещения сантехнических приборов желательно учитывать, что задняя стена выдвинется вперед на 20-25 см.
Бачок, как правило, изготавливается из полимерного материала. После окончания монтажных работ получить доступ к нему будет невозможно, т.к. встроенная система полностью перекрывается наружной отделкой, например, керамической плиткой. Когда монтаж будет завершен, владельцу будет доступна только возможность регулирования посредством кнопки слива.
Поэтому важно изначально приобретать качественные сантехнические приборы, т.к. при возникновении неисправности потребуется заново производить процедуру: убирать плитку, демонтировать бычок, затем снова устанавливать систему
Это обойдется хозяину квартиры значительно дороже, чем, если изначально купить сантехнику высокого качества.
Инсталляция для унитаза, что это такое?
Инсталляция представляет собой металлическую конструкцию, на которой закрепляется сантехническое оборудование и дополнительные элементы (например, кнопка смыва).
Интересно!
Кнопки смыва может вовсе не быть, если оборудование оснащено современной автоматикой.

В инсталляции располагаются различные механизмы и коммуникации, благодаря чему ванная комната становится эстетически более привлекательной. А конструкция системы позволяет крепить приборы в разных точках, поэтому вы сможете поэкспериментировать с расположением элементов.


Важно!
Возможно установить напольный унитаз с инсталляцией, монтаж подвесной модели не является обязательным условием
Виды инсталляций для унитаза
Все комплекты (инсталляция и унитаз) можно разделить на две большие группы: блочные и рамочные.


Рамочная система представляет собой сборную конструкцию с возможностью выбора следующих параметров:
- Способ крепления.
Рамочную инсталляцию можно крепить как к стене, так и к полу, что в некоторых случаях является единственным вариантом. - Размеры конструкции.
Стандартных размеров у данной конструкции нет, собирается она индивидуально для каждого конкретного случая. - Вариант монтажа.
Например, возможна установка угловой инсталляции для подвесного унитаза. Такое решение часто применяется для очень маленьких ванных комнат.
Рамочная система является наиболее универсальной и удобной из всех существующих вариантов установки унитаза.
Однако и стоимость у нее соответствующая (минимум в 3 раза выше, чем у стандартного унитаза).

Более бюджетный вариант – установка блочной системы. Она несколько дешевле, но обладает несколькими недостатками в сравнении с рамочной:
- Только стандартные размеры.
- Монтаж системы может быть произведен исключительно на несущую стену.
- Система является моноблочной, то есть установка дополнительных или замена существующих элементов является трудновыполнимой задачей.

Плюсы и минусы инсталляции для унитаза
Так что лучше: инсталляция или обычный унитаз? Для того чтобы понять, какой унитаз лучше купить для своей ванной комнаты, стоит подробно рассмотреть достоинства и недостатки инсталляций.
Несмотря на конструктивные различия рамочных и блочных систем, все инсталляции обладают общим перечнем плюсов и минусов.
Достоинства:
Привлекательный внешний вид.
Такие системы обычно выполнены в современном минималистическом стиле, что позволяет гармонично вписать их в любой интерьер.




- Полное отсутствие или минимальный уровень шума.
Система смыва находится в стене, поэтому такое решение является наиболее тихим. - Надежность и долговечность.
Инсталляции очень популярны в настоящее время, поэтому чтобы оставаться конкурентоспособными, производители постоянно совершенствуют свои модели, стараясь исключить ошибки и увеличить срок службы. - Возможность замены напольного покрытия уже после установки
подвесного унитаза с инсталляцией (отзывы в интернете подтверждают, что такая возможность очень удобна, так как нередко появляется необходимость в замене нескольких половых плиток).
Недостатки:
- Стоимость
(в несколько раз выше, чем у стандартных унитазов). - Отсутствие прямого доступа к трубам.
Обезопасить себя можно, установив лючки для контроля за состоянием труб. Ведь если появятся протечки, их необходимо устранять в кротчайшие сроки. - Сложность ремонта и замены.
В случае сложного ремонта или полной замены оборудования, придется полностью разбирать стену.

Размеры унитаза для инсталляции
Размеры инсталляции унитаза могут быть разными, все зависит от фантазии дизайнера. Однако можно выделить наиболее распространенные размеры (или стандартные). Длина унитаза с инсталляцией (или глубина) обычно – от 50 до 60 сантиметров. Высота чаши (не путать с высотой установки) – 30-50 сантиметров. Ширина – от 30 до 40 сантиметров.

Такие размеры инсталляций для подвесных унитазов являются наиболее удобными. Незначительные отклонения, конечно, не скажутся на комфорте. Но бывают случаи, когда для воплощения необычного дизайнерского решения требуется, например, сильно расширить или сузить конструкцию. Тогда зачастую удобство становится жертвой стиля.
К сведению!
Существуют также стандарты встраиваемых бочков. Редко их ширина превышает 50 сантиметров, наиболее же распространенный размер 10 сантиметров.

Какой вариант подвесного унитаза с инсталляцией лучше выбрать: рекомендации по правильному выбору
Теперь определимся, как выбрать инсталляцию для подвесного унитаза
При этом важно учесть такие моменты:
- где будет установлена конструкция;
- заранее делается углубление в стене, также готовую конструкцию можно зашить гипсокартоном;
- нужен ли подвесной механизм или просто необходимо замаскировать бачок;
- подбор дополнительного материала для подвода коммуникаций;
- материал для клавиш.
Решая, какая инсталляция для унитаза лучше нужно учитывать, что кроме рамного и блочного вида есть и другие разновидности. Например, конструкции отличаются по методу крепления:
- настенная применяется чаще всего. При этом монтаж производится к стенке с помощью болтов и шпилек. Давление оказывается на перестенок;
- напольная применяется, когда перегородка сделана из гипсокартона. В этом случае опора направлена на пол, а нижняя часть конструкции усилена.

Конструкция для душевой
При выборе унитаза для инсталляции имеет значение и место монтажа. Угловой вариант имеет раму треугольной формы, что позволяет замаскировать все детали. Подходит для узких помещений. Двухсторонний вариант характеризуется расположением санузла с одной стороны, а раковины с другой. Существует и изделие в линию, когда на одной стенке располагается несколько устройств. В этом случае могут использоваться разные виды сантехники. Можно применить и низкий вариант с ограничением по высоте. В этом случае отдельные элементы размещаются под окном.

Эргономичный вариант для небольшого помещения
Важно подобрать правильную систему слива. Принудительная остановка выполняется, когда кнопка нажимается повторно
Двойная клавиша позволяет обеспечить разные варианты напора воды. Также при выборе подвесного унитаза можно остановиться на сенсорных моделях. Они срабатывают на движение руки.
Приобретая даже лучшие подвесные унитазы, обратите внимание на полную комплектацию гарнитура еще в магазине. Инсталляции могут продаваться, как в комплекте с чашей, так и отдельно
Лучше приобретать полный набор, так как при этом все размеры будут совпадать. Вместе с рамой должны присутствовать крепежи для подвески и арматура для монтажа труб. В некоторых наборах в базовой комплектации есть кнопка и бачок для слива. Экономный вариант предполагает два режима. При большой подаче поступает 7-9 литров, а при малой – 4 литра.

Удобные кнопки для подвесных моделей
Если чаша есть в наличии, то нужно проверить габариты рамной конструкции, а также промежутки между деталями крепежа
Важно, чтобы чашу можно было регулировать по высоте
Также стоит уделить внимание типу покраски. Замечательным решением является порошковая окраска, позволяющая создать жесткую пленку
Рамное устройство производится из металла большой толщины. Делая выбор лучших инсталляций для унитаза, уделите внимание прочности сварных швов и покраске.
Вариант установки конструкции можно посмотреть на видео:
http://sovet-ingenera.com/santeh/unitaz/podvesnoj-unitaz-s-installyaciej.htmlhttp://masteravannoy.ru/installyaciya/installyaciya-ili-obychnyj-unitaz.htmlhttp://housechief.ru/chto-takoe-installyaciya.html
Световые инсталляции
В последнее время во всем мире особую популярность приобрели световые инсталляции. Такие необычные арт-объекты находятся во многих столицах и крупных городах планеты.

Светящиеся объекты самых разнообразных форм и цветов придают городским улицам и площадям фантастический праздничный вид. По всей видимости у этого вида искусства большое будущее.
Предлагаем вашему вниманию самые запомнившиеся, ставшие знаменитыми на весь мир инсталляции современного искусства, созданные художниками-новаторами
С помощью своих неординарных творений они призывают обратить внимание на ту или иную мировую проблему или же просто открывают новые страницы в истории искусства
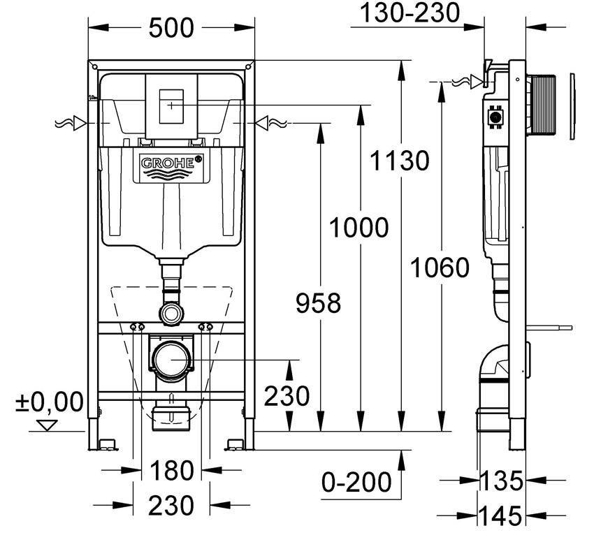
Ширина и высота инсталляции
Перед началом строительных работ требуется знать габариты инсталляции для унитаза. Самой значимой характеристикой является глубина конструкции, т.к. от этого зависит удобство эксплуатации сантехники.
- блочные (10-15 см);
- рамные (15-30 см).
Перед унитазом желательно оставить хотя бы 0.6 метра свободного пространства, поэтому при капитальной стене рекомендуется остановить выбор на инсталляции блочного типа. Это позволит оставить дополнительно 15 сантиметров свободного пространства по сравнению с установленным обыкновенным унитазом.
Из-за малой толщины инсталляции встроенный бачок является плоским и обладает небольшой толщиной (около 0.9 м) и увеличенными габаритными характеристиками. Ширина бака в большинстве случаев составляет 0.5 м, поэтому ширина всей инсталляции для унитаза также равна 0.5-0.6 м.
Другие размеры инсталляции под унитаз:
- высота – у конструкции блочного типа 0.8-1 м, рамного типа – 1-1.4 м;
- патрубок выхода канализации, куда подключается сантехника, должен находиться примерно в 22 см от пола;
- крепежи для шпилек, на которые подвешивается изделие, должны располагаться в 32 см от пола, однако это значение можно изменить посредством регулирования ножек;
- расстояние между осями крепления составляет 18 либо 23 см.
При подобной ширине и высоте инсталляции унитаза он оказывается на расстоянии 30 см от уровня пола. Как правило, это удобно для всех жильцов квартиры.
Размеры чаши подвесного унитаза являются достаточно стандартными:
- ширина (0.3 – 0.4 м);
- высота (0.3 – 0.4 м);
- длина зависит от конкретной модели: «мини» — до 54 см, «стандарт» — 55-60 см, «максимум» — 70 см.
Преимущества систем инсталляций для унитазов
Применение систем инсталляций для унитазов очень удобно. С их помощью можно установить унитаз таким образом, чтобы бачок был надежно спрятан за стенкой, и при этом дополнительно защищен теплоизоляционным материалом, что позволяет нам слышать минимальный уровень шума при эксплуатации сантехники.
Подвесной унитаз с инсталляцией
При этом снаружи заметной для нашего взгляда остается только сама чаша унитаза. Благодаря этому, помещение ванной комнаты кажется более просторным и комфортным.
Что касается недостатков инсталляций, то к ним можно отнести разве что высокую цену. Однако такая стоимость вполне оправдано, такие конструкции имеют огромные преимущества:
- Компактность, что позволяет более функционально использовать все свободное пространство в помещении санузла;
- Минимальный уровень шума, который обеспечен за счет того, что сливной бачок спрятан в стену;
- Удобство уборки ванной комнаты, потому что гораздо удобнее убирать помещение, в котором на полу ничего не мешает;
- Возможность выложить на полу различные рисунки или мозаики из кафеля в связи с тем, что нет никаких препятствий;
- Есть возможность экономить воду. Это связано с тем, что в инсталляциях есть две кнопки, первая обеспечивает большой поток воды, а вторая – маленький;
- Надежность при условии правильной установки. Такие конструкции достаточно долговечные, и могут выдерживать нагрузку до четырехсот килограмм.
Управление

Органы управления должны быть стильными и не выходить за рамки дизайна помещения, в котором установлена инсталляция. Тогда конструкция не испортит помещение, в котором она установлена.
Однако оценивать управление нужно и по техническим показателям. Все органы управления должны быть эргономичными (удобными). В противном случае использовать конструкцию будет не слишком удобно. Нужно убедиться в том, что получить доступ к управлению можно легко. Если для этого нужно что-то разбирать, то покупать такую модель нежелательно.
Важно, чтобы отремонтировать конструкцию можно было без разбора стены, обложенной плиткой
Разновидности унитазов с инсталляцией
Сразу надо оговориться, что унитазы, устанавливаемые на инсталляцию, это не только подвесные приборы. Напольные разновидности также можно использовать. Все дело в том, что инсталляция подразумевает под собой конструкцию, куда устанавливается и крепится сливной бачок. При этом все сооружение закрывается фальшстеной, обычно гипсокартоном. За этой стеной и скрываются трубные разводки, сливной бачок, счётчики воды, запорная арматура и прочие элементы. Снаружи остаётся только унитаз и кнопка слива воды. Правда, сегодня производители предлагают сливные модели без кнопки, они работают за счёт сенсорной автоматике.
Что касается классификации, то унитаз с инсталляцией делятся на две группы: блочные и рамные.
Блочный вариант называется так потому, что это готовая конструкция с определёнными размерами. И если перед вами стоит выбор по размерам, то придётся замерять место установки инсталляции и под эти параметры подбирать конструкцию. При этом надо отметить и тот факт, что само сооружение можно крепить только к несущей стене. Добавим также, что производить какие-то изменения в конструкции сложно, а иногда невозможно. Но есть и положительная сторона – блочные инсталляции дешевле рамных.

Инсталляция блочного типаИсточник www.semcollections.com
Что касается второй группы, то в таких инсталляциях размеры можно изменять. То есть, конкретного размера нет, поэтому, приобретая этот вариант, вы покупаете конструкцию, которую можно подогнать под размеры стены и унитаза. Ещё один плюс – крепить рамное сооружение можно не только к стене, но и к полу. Последний вариант часто выручает, если унитаз решено установить не у несущей стены.
И последняя положительная сторона рамной разновидности – возможность устанавливать в углу помещения. Для небольших санузлов это реальный выход из положения, если ставится задача расширить свободное пространство комнаты.
Итак, можно сделать вывод. Рамная инсталляция в туалете – идеальный вариант. Но она раза в три дороже блочной. Так что выбор за вами.

Рамочная инсталляция крепится и к полуИсточник keramis.com.ua
Стандартные размеры
Обыкновенные габариты инсталляции для унитаза позволяют монтировать ее в любых по площади помещениях. Угловые варианты устанавливаются в углах малогабаритных санузлов (зачастую совмещенных). Также производятся компактные модели уменьшенной высоты для расположения под окнами. Линейные модули применяются для подвесного оборудования, размещенного в линию. Параметры необычных вариантов не соответствуют стандартным.
Ширина
Блочные, рамочные устройства обладают одними и теми же параметрами, потому ширина инсталляции для унитаза независима от вида конструкции. Она составляет около 55 см. Этого предостаточно для размещения смывного бачка внутри каркаса. Большинство модулей полуметровые, отлично подходят для сантехнических устройств разных габаритов.
Размер инсталляции определяет объем бачка. Последний должен быть достаточно большим, тогда чаша всегда будет оставаться чистой.

Ширина инсталляции для унитаза не зависит от ее типа: рамные и блочные стандартные системы имеют одинаковые параметры 500-600 ммИсточник samstroy.com
Глубина
Важный параметр, который зависит от разновидности рамы. Толщина рамочных инсталляций – 15-30 см, блочных – примерно вдвое меньше. Последние позволяют сэкономить около 15 см пространства.
Глубина конструкции влияет на размер сливного бака, расположенного внутри рамы. У подвесной сантехники бак плоский, его габариты – примерно 50х60х9 см.
Высота
Рамные модели инсталляционной системы для унитаза монтируются на расстоянии максимум 1,4 м от поверхности пола, навесные – не выше метра. Крепежные элементы под шпильки для фиксации чаши зачастую размещаются на уровне 32 см, что удобно для большинства людей. При необходимости значения корректируют, используя регулируемые ножки.

Внешне изящная инсталляция для унитаза способна выдерживать большой весИсточник samstroy.com
Установка инсталляции унитаза в современном ремонте ванной комнаты.
Размеры вариативных конструкций
Крепление угловой инсталляции для унитаза проводится посредством рамочных консолей. На последние монтируются накладки, которые способны перемещаться в разные стороны. Они позволяют устанавливать раму даже в тех местах, где отсутствует прямой угол. Ширина такой конструкции – 38 см. Конфигурация бака изменена на трехгранную (уменьшает толщину каркаса до 14-20 см). При этом места для расположения коммуникаций предостаточно. Высота монтажа сантехники регулируется в пределах 33-37 см.
Компактные рамные модули монтируются под подоконники, в небольшие перегородки. От своих стандартных аналогов они отличаются высотой (до 85 см). Крепление таких устройств проводится к полу, перегородочной поверхности либо комбинированным способом.

Размер приобретаемой инсталляции напрямую зависит от места ее установкиИсточник verwijst.nl
Как выбрать
Размер короба под инсталляцию унитаза большей частью зависит от площади комнаты. Для малогабаритного санузла с капитальной стенкой лучше всего подойдет блочная конструкция. При отсутствии несущего основания придется выбрать рамную. Последняя также применяется для соединения сантехники, расположенной в одну линию, при монтаже в небольшую перегородку.
При выполнении монтажных работ необходимо придерживаться таких нормативов: расстояние от унитаза до дверей и перегородок должно быть не менее 0,6 м, от канализационного трубопровода до пола – 22 см.
Установка инсталляционной системы может осуществляться самостоятельно (если придерживаться инструкции), под силу даже новичкам. Накануне монтажа нужно узнать высоту, прочие размеры подвесного унитаза с инсталляцией. Такая информация поможет выбрать максимально подходящее место установки.

Монтаж подвесного унитаза – работа трудоемкая, но ее может выполнить любой, кто обладает минимальными строительными навыкамиИсточник samstroy.com
Инсталляции для унитаза и биде GEBERIT DUOFIX.




































